Category:Transformer
Address:No. 121, Huancheng Road, Picheng Town, Danyang City, Jiangsu Province, China
Tel:400-1668-021
Email:kinbo@kinbopower.com
Intro:The AC constant current voltage regulator is mainly used as a supporting voltage control power supply in various thermal processing and heat treatment systems. It features stepless smooth voltage regulation, closed-loop automatic control, and strong short-circuit resistance. Currently, it has been widely adopted in salt bath electric furnaces, vacuum electric furnaces, electric slag remelting furnaces, single-crystal and polycrystalline furnaces, cracking furnaces, remelting furnaces, as well as electric melting furnaces in the glass industry and the aluminosilicate refractory fiber industry.
Product Overview
The AC constant current voltage regulator is mainly used as an auxiliary voltage control power supply in various thermal processing and heat treatment systems. It features stepless and smooth voltage regulation, closed-loop automatic control, and strong short-circuit resistance. It is currently widely used in salt bath electric furnaces, vacuum electric furnaces, electric slag remelting furnaces, single-crystal and polycrystalline furnaces, cracking furnaces, remelting furnaces, as well as electric melting furnaces in the glass industry and the aluminosilicate refractory fiber industry.
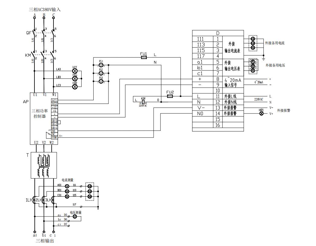
Working Principle
Through a constant current sampling control system, the output voltage is precisely adjusted to achieve a constant current effect, ensuring that the heating load maintains an accurate and consistent temperature.
